La forêt de Lyons a toujours été une forêt de chasse et la véritable bête de chasse est le cerf. Ils sont réputés pour leur haute taille, leur force, leur agilité et la grandeur de leur ramure, au siècle passé.
            Il se dit que Saint Hubert, patron des chasseurs, serait venu en forêt de lyons en 710.

            Les rois mérovingiens et carolingiens possédaient la forêt de Lyons. Leur palais se situait à Baziu mais ils venaient chasser en forêt de Lyons : Charlemagne, Charles le Chauve, Carloman. Ce dernier sera mortellement blessé, peut-être par un sanglier, en décembre 884.
             Les premiers ducs normands avaient construit à Lyons un manoir qui était un rendez-vous de chasse. Ce manoir était situé près de l’église actuelle. Guillaume Longue Epée (931-944), fils de Rollon, passe pour avoir crée le manoir. Ses successeurs immédiats Richard I, II, III, et Robert le Diable le conserveront comme rendez-vous de chasse. 
            Le roi Henri Ier, arrivé à Lyons le lundi 25 Novembre 1135 en bonne santé pour une grande chasse le lendemain, mourrait d’une indigestion de lamproie.

            Charleval et le roi Charles IX (1550-1574)

            Roi de France à 10 ans, qui suivait avec regret et chagrin les projets de sa mère Catherine de Médicis, le malheureux Charles IX trouve plaisir et paix dans la chasse en forêt de Lyons. Un jour, s’égarant en forêt, il sort à Noyon sur Andelle. Charmé, il acquiert par un échange, cette terre et en attendant, s’installe dans l’ancien château. On abat l’Hôtel-Dieu, l’église, le couvent du Prieuré ainsi que des tanneries et des moulins. Les propriétaires seront généreusement remboursés. La première pierre du château sera posée par Charles IX en 1571 ( M de Larochefoucauld indique, lui aussi, qu’elle se trouve dans le parc de Rosay en 1833). Sa construction est interrompue au niveau rez-de-chaussée en 1574. Le roi Charles IX vient de mourir tout jeune de la tuberculose «attaqué de la poitrine, qu’il avait fatiguée à sonner du cor » , regrettant dans ses derniers instants ses responsabilités dans le massacre de la Saint-Barthélémy. Ce prince qui aimait les lettres autant que la chasse, avait composé un curieux traité de la Vénerie qui sera imprimé en 1625 et dédié à Louis XIII. Charles IX , pour repeupler la forêt de Lyons, fit établir des parcs à biches près de Saint-Crépin.
            Au XVII et au XVIIIème siècle, les rois n’auraient plus chassé en forêt de Lyons. La forêt de Lyons a beaucoup souffert durant la Révolution.
             Au XIXème siècle, Louis Philippe supprime la vénerie royale. Vingt deux ans plus tard, Napoléon III la reconstitue sous le titre de "Vénerie Impériale". La vénerie survivra grâce au demi-frère de Napoléon III, le Duc de Morny qui fit voter le texte suivant "Le passage des chiens sur autrui, sauf l'action civile si il y a lieu en cas de dommages, pourra ne pas constituer un délit".
          En 1840, il ne reste plus de cerf en forêt de Lyons. Mr le Comte le Couteulx et le Comte de Valon ont contribué au repeuplement en introduisant 10 cerfs chaque année, cerfs capturés en forêt de Brotonne. Le château de Rosay est devenu un rendez-vous de chasse au XIXème avec le Comte Léon de Valon. Cette tradition s’est perpétuée à Rosay avec son fils, René. Un trophée de 1916 est accroché actuellement au mur du grand salon du château de Rosay.


Tableau de chasse à Ménesqueville à la fin de la dernière guerre.
A gauche, une main dans la poche, Charles Daré, adjoint au maire de Rosay
durant la guerre et propriétaire du Fief d'Authuit
.






La chasse aux loups dans l'Eure - Marc-Adrien Dollfus
Connaissance de l'Eure N°10, décembre 1973

Les dégâts des loups


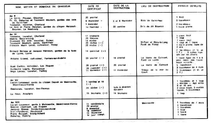
               Dans l'arrêté du 24 pluviose an III, il est signalé que ces animaux se sont attaqués à des femmes, à des enfants et à de nombreux troupeaux.
               Dans une des attestations du 20 octobre 1793 (an II), il est indiqué qu'ils attaquent des femmes et des enfants en forêt de Lyons et que plusieurs ont été leur proie.
               A Perriers-sur-Andelle, le 4 septembre 1790, 16 moutons sont dévorés dans le local où ils étaient enfermés ; l'indication de la pénétration des loups dans les bergeries et étables est souvent indiquée. De nouveau, à Perriers, mais le 28 vendémiaire an III, 6 moutons sont tués, plusieurs blessés par 3 loups…..
               A Fresnes-l'Archevêque, près d'Ecouis, le 28 brumaire an III, ce sont 20 moutons étranglés, 13 mangés par des loups ; Tirebarbe appelé d'urgence ne put abattre ces loups. Ces dégâts justifiaient donc des équipages bien spécialisés.

L'équipage de louvetier monté par les citoyens Frémont et Tirebarbe.


              D'après nos recherches ces citoyens étaient des nobles de la région qui avaient dû monter leur équipage avant la Révolution.
              Le citoyen Frémont n'était autre Antoine-Nicolas-Louis-Charles Frémont, marquis de Rosay, né le 25 août 1762 et qui mourut le 31 octobre 1827 comme maire de Rosay ; il chassait accompagné de son frère Adrien-Maximillien Frémont, né en 1767, propriétaire du château de Mussegros près d'Ecouis et qui mourut à l'asile de Charenton, après la Révolution.
               Quand à François Tirbarbe ou Tirebarbe qui demeurait à Perruel, il était d'une famille de robe, très probablement apparenté à J-Chr Tirebarbe, ancien procureur du Roi à Charleval.


On note l'incription de François Marin Leroi, cultivateur et maire adjoint de Rosay.
Une louve pleine le 25 nivose de l'an VI.

Rapport des citoyens Frémont et Tirebarbe, adressé le 24 pluviose an III, au Comité de Salut Public de la Convention.

               Ce rapport souligne la nécessité de leur établissement de louvetiers. Il précise qu'ils ont déjà pratiqué la chasse aux loups et qu'ils s'appuient sur tous les certificats joints au rapport prouvant que " des hommes, des enfants, beaucoup de chevaux, de vaches et de moutons ont été dévorés par les loups ". Ils ont formé à leurs dépens un établissement pour la destruction des loups. La chasse qu'ils ont faites dans les trois départements a été des plus heureuses car un nombre considérable de loups y a été tué ou blessé.
               S'appuyant sur les diverses pièces présentées, ils désirent consolider leur établissement et pour cela ils demandent l'appui du Gouvernement. Cet appui leur a été immédiatement donné par un arrêt du Comité de Salut Public de la Convention Nationale de 24 pluviose an III dont l'article premier déclare " Les citoyens Frémont aîné et Tirebarbe domiciliés dans le district des Andelys sont en réquisition pour l'établissement qu'ils viennent de former tendant à la destruction des loups qui ravagent les département de l'Eure, de la Seine-Inférieure et de l'Oise. ".
               Les autres articles indiquent que leurs chevaux sont aussi requis et qu'ils ne pourront faire d'autres services, qu'outre les maîtres d'équipages, les dix hommes les aidant seront réquisitionnés.
               L'article 6 leur interdisait de demander des récompenses ou des gratifications ; mais cet article est barré. Cet arrêté est signé de Cambacérès, Marec (de Brest), Pelet (de la Lozère), Merlin (de Douai), Boissy d'Anglas, Dubois-Crancé et Lacombe (du Tarn)

Composition des équipages

               D'après l'arrêt du Comité de Salut Public et les certificats des municipalités, ils étaient composés de 10 hommes dont six étaient salariés et quatre bénévoles, se livrant à la chasse aux loups comme maîtres d'équipage ou par plaisir et parmi eux les possesseurs de l'équipage, les citoyens Tirebarbe et Frémont aîné, accompagné de son frère et souvent du citoyen Beaurin.
              Les membres salariés pouvaient être changés et renvoyés s'ils faisaient preuve de négligence et être remplacés par des chasseurs plus instruits. En tous les cas ces équipages ne pouvaient dépasser le nombre de douze hommes et il leur était affecté douze chevaux au maximum. Les hommes et tout au moins les maîtres d'équipage étaient armés de fusils à deux coups, ce qui était pour l'époque assez rare. Enfin outre les hommes et les chevaux, l'équipage comprenait une meute de chiens spécialement bien dressés dont le nombre variait de vingt à trente-six suivant les attestations. Il fallait assurer l'entretien et la nourriture de ce personnel et de ces animaux lors des déplacements et des chasses. C'est pourquoi les maîtres d'équipage étaient autorisés à pratiquer les réquisitions nécessaires. D'une part pour le logement car les chasses pouvaient se poursuivre pendant plusieurs jours dans le même district. En outre plusieurs des documents font état de réquisitions d'avoine pour les chevaux, d'orge ou de blé pour les chiens.
               Les maîtres d'équipage Tirebarbe et Frémont entretenaient leur personnel , les chevaux et les chiens. Cependant ils avaient droit aux primes légales de destruction par tête de loup présentée mais parfois ils indiquent qu'ils renoncent à leur primes et que par contre il faut qu'on leur fournisse la nourriture des chiens et des chevaux ainsi que de la poudre à fusil.
               Pendant ces deux ans et demi l'équipage Tirebarbe-Frémont fut sollicité en maints endroits les chasses elles-mêmes comprenaient des parcours importants pendant parfois deux journées. De 1793 à 1795 les déplacements de l'équipage dont le stationnement devait être Perruel ou Rosay-sur-Lieure furent fréquents et souvent éloignés les uns des autres. Les points extrêmes cité dans nos documents vont de Saint Germer dans l'Oise, à Montivilliers près du Havre, du nord de Pavilly à Monfort-sur-Risle ou aux environs des Andelys. En 1793 nous le trouvons, du 29 août au 12 septembre, dans une même région autour de Préaux, le 1er octobre à Saint-Germer, du 18 au 22 octobre à Pavilly soit environ 220km en 2 mois. On peut estimer des parcours de 625 km en 1794 et de 765 km en 1795. Les chasses se font en toutes saisons avec cependant un prédominance pour les mois de juillet et d'octobre. Ces chasses sont parfois très longues : ainsi le 29 ventôse de l'an II, un loup est signalé dans le bois de Grosfils et de Fresquesnes près de Pavilly. Le loup est attaqué le matin, gagne Bréteville, Hugleville et se fait chasser toute la journée jusqu'à neuf heures du soir. La chasse est alors interrompue pour reprendre le lendemain matin et le loup n'a été tué que l'après-midi. Sans désemparer, un deuxième loup est attaqué dans le parc de Fresquennes ; il est chassé sur 28 lieues, là aussi jusqu'à neuf heures du soir, bien que blessé à la cuisse. Mais les chiens au nombre de 36 et les chevaux sont fourbus et la chasse est interrompue après avoir parcouru près de 120 km en deux jours, plus le déplacement de Perruel soit près de 30 à 40km.
               Ravages causés par les loups dans les cantons d'Ecouis et de Pont-Saint-Pierre en l'an VI et battues confiées aux citoyens Frémont aîné, Tirebarbe et Houssaye, louvetiers.
               " Evreux le 24 vendémiaire an VI, L'administration centrale du département de l'Eure, instruite que depuis quelques temps des loups exercent les plus grands ravages dans les cantons d'Ecouis et de Pont-Saint-Pierre, notamment des communes de Radepont et Bacqueville, prenant considération des lettres qu'elle a reçues à ce sujet, les 15 et 19 courant, de l'administration municipale du canton d'Ecouis, dans lesquelles elle peint l'alarme répandue dans le pays et les dangers que courent les personnes et les propriétés ; voulant par tous les moyens qui sont en son pouvoir assurer la tranquillité à ces contrées et parvenir à la destruction des animaux voraces qui la troublent. … Considérant que depuis longtemps les citoyens Frémont aîné, Tirebarbe, domiciliés dans le canton d'Ecouis, sont autorisés à chasser les loups et autres animaux nuisibles dans ce département, et que le citoyen Houssaye fils a également obtenu cette autorisation."


Quelques statistiques

Les tarifs Prix unitaire An V- An VIII
                              Louveteau 20 francs
                              Loup 40 francs
                              Louve 40 francs
                              Louve pleine 50 francs
       Pour l'an VIII, le département de l'Eure a reçu 400 francs pour la destruction des loups.

Nombre de loups officiellement tués et déclarés
                              AnV : 1 loup, 1 louve pleine, 5 louveteaux
                              AnVI : 4 loups, 2 louves, 1 louve pleine, 15 louveteaux
                              AnVII : 4 loups, 3 louves, 7 louveteaux
                              AnVIII : 1 loups, 2 louves, 5 louveteaux

              Généralement les loups sont tués entre Ventôse et Brumaire, soit au moment des grands froids d'automne et d'hiver. Les louves sont plus souvent tuées en été entre juin et septembre ainsi que leurs louveteaux.

L'interdiction de chasse à l'équipage Frémont et Tirebarbe

               L'article de monsieur Dollfus, consacré à l'activité de cet équipage dans le nord-est de l'Eure, l'Oise et la Seine-Maritime, entre 1792 et 1795, a montré l'importance capitale de ces deux louvetiers à cette époque là. Mais en l'anVII, le 22 frimaire, un arrêté de l'administration de la Seine-Inférieure interdit à l'équipage Tirebarbe et Frémont de chasser le loup dans les forêts de ce département. En effet le citoyen Tirebarbe est accusé de s'" être arrogé le droit de mettre en réquisitions des citoyens et avoir exercé des fonctions qui ne lui étaient attribuées par aucune loi ". Par cet abus de pouvoirs, Tirebarbe " a mis en réquisition partiuculière des individus appartenant à la conscription militaire ou à la réquisition et les a ainsi soustraits au service des Armées "

              Par l'arrêté du 16 thermidor an III , le citoyen Ducatey avait été nommé louvetier général du département de l'Eure. Mais, par arrêté du 22 floréal an VI, le citoyen Ducatey, qui " a refusé de prêter le serment de haine à la royauté et à l'anarchie, à la fête du 2 pluviose dernier ", est révoqué de ses fonctions par le ministre de la Police Générale.



"Le Sport" relatait la chasse à courre en forêt de Lyons en 1889
 

           Cet article évoque les qualités du père  Léon et du fils Bertrand de Valon. Les amis de chasse sont les amis politiques du père: - le comte Emmanuel Le Couteulx de Canteleu, conseiller général et maire d'Etrépagny - le comte Henri d'Onsenbray à Fontaine-de-Rosette - le comte de Vatimesnil à Sainte Marie de Vatimesnil près d'Etrépagny. Léon de Valon a également lié amitié avec les notables de la région de Brotonne: - le comte de Mefray -  le baron P. Calvet-Rogniat. Le comte Léon de Valon est décédé depuis deux ans. Son fils Bertrand, âgé de 38 ans, dirige une compagnie en forêt de Halatte ( située près de Senlis entre les forêts de Chantilly et de Compiègne). Les anciens du village affirment qu'il mènera les équipages du baron de Rothchild.  

         " En quittant Compiègne et Senlis, nous arrivons en forêt d'Halatte, actuellement sous la direction de MM. le comte Bertrand de Valon, le comte de Mefray et le baron P. Calvet-Rogniat. Cet équipage chasse ordinairement en forêt d'Halatte, qui est assez vive en grands animaux pour suffire jusqu'à présent aux laisser-courre de toute une saison. Le comte de Valon a une dizaine de cerfs à prendre tous les ans en forêt de Lyons.

          L'équipage est commandé par le comte Bertrand de Valon qui, quoique très jeune, est un maître d'équipage les plus expérimentés de ce temps-ci. Il a été élevé à bonne école dans cette si difficile forêt de Lyons où il est presque impossible d'être aux chiens, parce qu'elle est très sourde, qu'il y a des échos qui trompent comme dans les contes de fée, qu'elle est très accidentée, et qu'elle couvre un immense espace de terrain à cause des nombreuses plaines qui la découpent ainsi qu'un damier. Les animaux sont très nombreux et d'un fond et d'une vigueur légendaire dans toute la Normandie, le terrain est mélangé de cailloux qui abîment les pieds des chevaux et les mettent hors de service en un rien de temps. Seuls, les veneurs connaissant bien la forêt et ayant le flair, le sentiment indéfinissable qui vous fait aller du bon coté peuvent, non pas maintenir les chiens, mais les rejoindre de temps à autre, arriver à temps pour les aider dans un embarras. Dans un pareil milieu, où le jugement de jeune veneur se forma vite, le comte Bertrand de Valon a eu le rare bonheur d'avoir pour maîtres d'abord son père, qui a possédé pendant de longues années un excellent équipage de lièvre et de chevreuil, et ensuite des maîtres d'équipage comme le comte Le Couteulx de Canteleu, M. de Vatismesnil et le vicomte d'Osembray, tous si justement célèbres dans le monde de la vénerie.
         
           Le comte de Valon transporta ses chiens à Rosay (Eure), où il découpla en forêt de Lyons avec l'excellent vautrait de M. Paul Labitte. Ces deux veneurs choisirent dans leurs deux vautraits les plus beaux et les meilleurs chiens pour en faire un équipage de cerf, et gardèrent les plus ordinaires pour le sanglier. Lefort, premier piqueux de M. Paul Labitte, frère cadet de Lefort qui a été premier piqueux chez le comte Aquado, à l'équipage de Sivry-Courtry, conduisait le vautrait, et Quelin, le premier piqueux du comte de Valon, conduisait l'équipage de cerf. Le vautrait chassait avec le plus grand succès, mais au milieu des difficultés de la forêt de Lyons, l'équipage de cerf eut beaucoup de mal à se confirmer dans la voie et fit peu de prises, une dizaine environ.
        
          A la fin de la première campagne, considérant avec raison que le nouvel équipage ne pourrait pas trouver dans la forêt de Lyons un nombre d'animaux suffisant à cause des nombreux équipages qui y découplaient déjà, le comte de Valon s'entendit avec le comte de Meffray et M. Montgomery, adjudicataire de la forêt de Brotonne, pour y prendre ensemble dix cerfs tous les ans, après avoir pris ceux disponibles à Lyons.
    
          A partir de ce moment, l'équipage a pris d'une manière régulière et a toujours chassé avec les qualités que nous lui voyons aujourd'hui. Dans le commencement de la saison, le vautrait et l'équipage de cerf, chassant alternativement en forêt de Lyons, prirent douze cerfs et douze sangliers sans en manquer un seul, ce qui est très beau pour cette forêt.

          La forêt de Brotonne paraissant un peu loin de Paris à de jeunes maîtres d'équipage qui n'aiment pas beaucoup passer leurs soirées en province, MM. de Valon et de Meffray reprirent de Joachim Lefèvre, qui se démontait, sa belle meute et la forêt d'Halatte. Cette réunion mit dans le chenil cent cinquante chiens.

           L'équipage, depuis sept ans qu'il existe, a pris environ deux cent cinquante cerfs dans Lyons, Brotonne et Halatte. Il est servi par Quélin, qui est depuis sept ans au service du Comte de Valon. C'est un excellent piqueur, très bon valet de limier, toujours très près de ses chiens, sonnant très bien, ayant beaucoup de calme, de décision et d'activités dans les défauts, très sobre, ce qui est rare, et de très bonne tenue, ayant conservé toutes les saines et vieilles traditions de l'ancienne vénerie. Il a pour second Darras et Hector Lefort, le neveux du premier piqueux de M. Paul Labitte, qui marche sur les traces de son oncle.
  
           Les chiens sont admirablement sous le fouet, à la soupe, en route et en chasse, très criants, très vites, très sûrs dans la charge et surtout très ralliants, qualité qui leur vient en grande partie de la manière dont se fait l'attaque: de meute à mort et tout aux branches. Cette manière d'attaquer, qui est certainement la meilleure quand on a des chiens qui n'ont pas besoin, pour éviter le change, d'être découplés sur un animal déjà échauffé, a un autre avantage, celui de rendre les chiens très ralliants et de les habituer à revenir toujours aux chiens servis par la trompe.

          Le découplé, en donnant tout aux branches, demande un apprentissage un peu long pour les chiens, mais dont on est largement récompensé par les excellents résultats qu'on en obtient, et c'est à cette méthode que l'équipage doit en grande partie la série non interrompue de succès que ses chiens remportent en forêt d'Halatte."



Carte postale de 1909 au château de Rosay



           Portrait de Bertrand de Valon dans un ouvrage récent de Patrick Verro: " La chasse à courre en cartes postales"

Dans son ouvrage "la chasse à courre en cartes postales", l'auteur Patrick Verro rapporte un portrait du comte Bertrand tracé par J.Kulp:
             Dès son enfance, il avait courru le lièvre dans les plaines de Corrèze, sur les terres familiales de Saint Priest où son père avait un petit équipage. Il fut, en 1870, aide de camp du général Ducrot puis secrétaire à Francfort de Pouyer Quertier. Il se maria en 1878 avec Mlle Barachin dont le père possédait la forêt de Silly-le-Petit dans les Ardennes; il y eut un vautrait.
             Puis il vint en normandie, où sa mère, née Larochelambert, possédait et habitait le ravissant château de Rosay. Il chassa le cerf dans cette forêt ainsi que dans celle de Brotonne en association avec M.Labitte et le comte de Meffray.
             Mis en rapport avec Joachim Lefèvre, on vit apparaître à Chamant "un Monsieur d'une trentaine d'années, très élégant de tournure, la figure un peu poudrée, avec de petits favoris blonds roulés, des cheveux blonds frisés au petit fer, soigneusement partagés par une raie par derrière et des guêtres blanches recouvrant ses souliers vernis au pinceau. Ce - gandin - ce - gomeux - était le comte Bertrand de Valon et c'était un veneur...Il est en effet devenu légendaire, avec sa cape feuille morte, ses cheveux longs et frisés, sa tunique et son gilet un peu usagés, sa culotte blanche et ses bottes à revers irréprochables et cet air à la fois accueillant et affairé qu'il avait au rendez-vous et qui rappelait celui d'une maitresse de maison attendant ses invités. De tous les Maîtres d'équipage que j'ai connu, c'est seulement lui qui approchait de la perfection...
             Il connaissait à fond la chasse du cerf. Il en avait la tradition et l'instinct: mais dans l'embrouille il manquait de décision. Très élégant cavalier, il savait à merveille se servir d'un cheval mais il n'eût jamais à la chasse, même dans sa jeunesse, l'allant et le perçant qu'il montra dans d'autres circonstances de sa vie. Il était inégalable comme diplomate et comme maître de maison. Il savait mettre du liant dasn un équipage formé d'éléments parfois très hétéroclites et le maintenir homogène dans des circonstances difficiles, et puis il avait cette énorme qualité d'être aimé des dames... Bref, c'était un grand seigneur du XVIIIème siècle égaré dans le notre ainsi s'exprimait J.Kulp.
           
  M.Hubert de Martimprey en a fait un portrait assez proche dans son livre:" Le comte Bertrand de Valon...semblait sous sa tenue de vénerie, redingote bleue de roi, gilet pourpre galonné d'or, certaine toque légendaire brunie à tous les vents, la trompe en sautoir, l'oeillet blanc à la boutonnière, semblait être, disions-nous, quelque seigneur de l'ancien temps traversant allègrement le nôtre, un sourire amusé sur les lèvres".



Le cerf dit "le plus beau cerf de France"



Le comte Bertrand de Valon, à gauche

Le rapport de piqueux aux deux maitres d'équipage,
le prince Murat et le comte de Valon, à droite


              Le Comte Bertrand, lieutenant durant la guerre de 70, épouse Mlle Barachin en 1878, petite fille du maréchal Magnan. Bertrand fondera des équipages de chasse dans les Ardennes, puis dans la forêt de Lyons. Il disparaît en 1933, retiré à Chamant (Oise), village dont il fût maire..
             Le Comte Bertrand avait hérité de la fermette côte du château, au pied du chemin du Mont Conard. Les anciens du village se souviennent qu'il y séjournait lors de ses parties de pêche dans les pièces d'eau du château de son frère. Il arrivait, très belle voiture avec chauffeur, accompagné d'une ravissante jeune femme. Agé de plus de 70 ans, la belle vie semblait continuer.
Cet article évoque les qualités du père Léon et du fils Bertrand de Valon. Les amis de chasse sont les amis politiques du père: - le comte Emmanuel Le Couteulx de Canteleu, conseiller général et maire d'Etrépagny - le comte Henri d'Onsenbray à Fontaine-de-Rosette - le comte de Vatimesnil à Sainte Marie de Vatimesnil près d'Etrépagny. Léon de Valon a également lié amitié avec les notables de la région de Brotonne: - le comte de Mefray -  le baron P. Calvet-Rogniat.
             Le comte Léon de Valon est décédé depuis deux ans. Son fils Bertrand, âgé de 38 ans, dirige une compagnie en forêt de Halatte (située près de Senlis entre les forêts de Chantilly et de Compiègne).
            " En quittant Compiègne et Senlis, nous arrivons en forêt d'Halatte, actuellement sous la direction de MM. le comte Bertrand de Valon, le comte de Mefray et le baron P. Calvet-Rogniat. Cet équipage chasse ordinairement en forêt d'Halatte, qui est assez vive en grands animaux pour suffire jusqu'à présent aux laisser-courre de toute une saison. Le comte de Valon a une dizaine de cerfs à prendre tous les ans en forêt de Lyons.
          L'équipage est commandé par le comte Bertrand de Valon qui, quoique très jeune, est un maître d'équipage les plus expérimentés de ce temps-ci. Il a été élevé à bonne école dans cette si difficile forêt de Lyons où il est presque impossible d'être aux chiens, parce qu'elle est très sourde, qu'il y a des échos qui trompent comme dans les contes de fée, qu'elle est très accidentée, et qu'elle couvre un immense espace de terrain à cause des nombreuses plaines qui la découpent ainsi qu'un damier. Les animaux sont très nombreux et d'un fond et d'une vigueur légendaire dans toute la Normandie, le terrain est mélangé de cailloux qui abîment les pieds des chevaux et les mettent hors de service en un rien de temps. Seuls, les veneurs connaissant bien la forêt et ayant le flair, le sentiment indéfinissable qui vous fait aller du bon coté peuvent, non pas maintenir les chiens, mais les rejoindre de temps à autre, arriver à temps pour les aider dans un embarras. Dans un pareil milieu, où le jugement de jeune veneur se forma vite, le comte Bertrand de Valon a eu le rare bonheur d'avoir pour maîtres d'abord son père, qui a possédé pendant de longues années un excellent équipage de lièvre et de chevreuil, et ensuite des maîtres d'équipage comme le comte Le Couteulx de Canteleu, M. de Vatismesnil et le vicomte d'Osembray, tous si justement célèbres dans le monde de la vénerie.
           Le comte de Valon transporta ses chiens à Rosay (Eure), où il découpla en forêt de Lyons avec l'excellent vautrait de M. Paul Labitte. Ces deux veneurs choisirent dans leurs deux vautraits les plus beaux et les meilleurs chiens pour en faire un équipage de cerf, et gardèrent les plus ordinaires pour le sanglier. Lefort, premier piqueux de M. Paul Labitte, frère cadet de Lefort qui a été premier piqueux chez le comte Aquado, à l'équipage de Sivry-Courtry, conduisait le vautrait, et Quelin, le premier piqueux du comte de Valon, conduisait l'équipage de cerf. Le vautrait chassait avec le plus grand succès, mais au milieu des difficultés de la forêt de Lyons, l'équipage de cerf eut beaucoup de mal à se confirmer dans la voie et fit peu de prises, une dizaine environ.
          A la fin de la première campagne, considérant avec raison que le nouvel équipage ne pourrait pas trouver dans la forêt de Lyons un nombre d'animaux suffisant à cause des nombreux équipages qui y découplaient déjà, le comte de Valon s'entendit avec le comte de Meffray et M. Montgomery, adjudicataire de la forêt de Brotonne, pour y prendre ensemble dix cerfs tous les ans, après avoir pris ceux disponibles à Lyons.
          A partir de ce moment, l'équipage a pris d'une manière régulière et a toujours chassé avec les qualités que nous lui voyons aujourd'hui. Dans le commencement de la saison, le vautrait et l'équipage de cerf, chassant alternativement en forêt de Lyons, prirent douze cerfs et douze sangliers sans en manquer un seul, ce qui est très beau pour cette forêt.
          La forêt de Brotonne paraissant un peu loin de Paris à de jeunes maîtres d'équipage qui n'aiment pas beaucoup passer leurs soirées en province, MM. de Valon et de Meffray reprirent de Joachim Lefèvre, qui se démontait, sa belle meute et la forêt d'Halatte. Cette réunion mit dans le chenil cent cinquante chiens.
           L'équipage, depuis sept ans qu'il existe, a pris environ deux cent cinquante cerfs dans Lyons, Brotonne et Halatte. Il est servi par Quélin, qui est depuis sept ans au service du Comte de Valon. C'est un excellent piqueur, très bon valet de limier, toujours très près de ses chiens, sonnant très bien, ayant beaucoup de calme, de décision et d'activités dans les défauts, très sobre, ce qui est rare, et de très bonne tenue, ayant conservé toutes les saines et vieilles traditions de l'ancienne vénerie. Il a pour second Darras et Hector Lefort, le neveux du premier piqueux de M. Paul Labitte, qui marche sur les traces de son oncle.
           Les chiens sont admirablement sous le fouet, à la soupe, en route et en chasse, très criants, très vites, très sûrs dans la charge et surtout très ralliants, qualité qui leur vient en grande partie de la manière dont se fait l'attaque: de meute à mort et tout aux branches. Cette manière d'attaquer, qui est certainement la meilleure quand on a des chiens qui n'ont pas besoin, pour éviter le change, d'être découplés sur un animal déjà échauffé, a un autre avantage, celui de rendre les chiens très ralliants et de les habituer à revenir toujours aux chiens servis par la trompe.

          Le découplé, en donnant tout aux branches, demande un apprentissage un peu long pour les chiens, mais dont on est largement récompensé par les excellents résultats qu'on en obtient, et c'est à cette méthode que l'équipage doit en grande partie la série non interrompue de succès que ses chiens remportent en forêt d'Halatte."







            L'équipage du Pays d'Ouche est fondé en 1952 par Roger Fougère. Il s'établit à Liéru, en forêt de Conches mais chasse également en forêt de Brotonne.
            Au début des années 60, l'amitié de Roger Fougère avec le maitre d'équipage du Rallye Roumare conduit l'équipage Pays d'Ouche en Eawy (près de Saint Saens) et en forêt de Lyons où il s'installe à Beauficel. En 1964, Roger Fougère laisse son équipage à son gendre, Jacques Souchère. Plus tard, chiens et chevaux seront hébergés à Mortemer.
            En 1971, Jacques Souchère acquiert le Fief d'Authuit et après d'importants travaux, transfère l'équipage.
            En 1977, Jacques Souchère transmet son équipage à André Joubert. Celui-ci transfère le chenil à Carqueleu. Après des années difficiles , l'équipage retourne à Mortemer, accueilli aimablement par le nouveau propriétaire, M.Caffin.
            L'équipage est définitivement démonté à la fin de la saison 91/92

M.Fougère, maître d'équipage en forêt de Lyons.

Départ pour la chasse, route de Lilly
M&Mme Joubert, maîtres d'équipage
"Pays d'Ouche"



Monsieur Varenne, maître de "l'Equipage de Rivecourt"



Curée au Fief d'Authuit à Rosay
L'équipage Rallye Nomade et Pierre Verne



Départ de la chasse à Mortemer



Départ de chasse, route de Lilly



Le Grand Val
Monsieur Souchère maitre d'équipage du "Pays d'ouches"
Georges Bénard, équipage "Rallye Roumare"



Rapport au carrefour du Routieux ( Seine Maritime )



La Hétraie



Les deux piqueux "la Hétraie" et "La Brisée"



Rapport au carrefour des Quatre Cantons, Bézu la Forêt



Carrefour des Rontieux
Jean-Paul Dalberto et Ashley Dormeuil



Equipage "Pays d'Ouche" et "Rallye Roumare" en forêt d'Eawy"
André Joubert et Georges Bénard

Rapport à Mortemer



Ashley Dormeuil s'apprétant à servir



"Curée" au carrefour du Hêtre à Dieu



Cerf au Val aux Anes - Rosay





Rosay Infos 95
       Article de Nicolas Noblet

LA VENERIE DU CHEVREUIL EN FORET DE LYONS

           "La forêt de Lyons a une longue tradition de vénerie et a connu des veneurs fort célèbre, tels que les d'Onsembray, monsieur le Couteulx de Canteleu, le comte de Valon dont le frère possédait le château de Rosay, monsieur Firmin-Didot, monsieur Fouard, etc...
           Mais très curieusement et malgré sa dimension importante qui en fait l'une des plus grandes forêts de Normandie, la forêt de Lyons n'a jamais été qu'une forêt d'appoint, partagée par différents équipages qui y venaient en déplacement. A l'époque, les cerfs de Lyons avaient une réputation d'exceptionnelle résistance et sur ce sujet, les veneurs étaient unanimes.
           Aujourd'hui, depuis trois ans, les choses ont bien changé, les cerfs ne courent pratiquement plus et semblent avoir quelquefois des attitudes curieuses, qui laissent planer un doute sérieux quant à leurs origines. De plus, le fait d'avoir vu apparaître, soudainement une grande quantité d'animaux en forêt semble suspect. A les voir évoluer, on a souvent l'impression d'avoir affaire à des animaux de parc!!!
           Ce n'est que dans une époque fort récente, qu'un équipage, le "Pays d'Ouche" qui à l'époque chassait en forêt de Brotonne et en déplacement à Lyons, vint s'y installer d'une façon permanente. Le chenil d'abord installé à l'abbaye de Mortemer, le fût ensuite au Fief d'Authuit chez le Maître d'équipage, Jacques Souchères. Il y a quatre ans de cela, l'équipage Pays d'Ouche démontait après trente huit ans d'existence et cinq maîtres d'équipages successifs.
           La vénerie du cerf disparaissait alors pour un laps de temps très court, mais la continuité de la Vénerie fût assurée en forêt par la création, à l'occasion des dernières adjudications, d'un équipage créancé dans la voie du chevreuil; l'équipage des Pierres Cassées dont le nom provient d'une enceinte de la forêt et dont le chenil est établi à Lyons, route de la bosse.
           Depuis la Vénerie du cerf a redémarré en forêt et a son chenil établi à Ménerval en Pays de Bray. Ainsi ce sont désormais deux équipages qui évoluent désormais le samedi, l'un au chevreuil sur la partie sud de la forêt, l'autre sur tout le reste de la forêt.

Vénerie du cerf et vénerie du chevreuil: deux pratiques très différentes

           Comparer la chasse à courre du cerf et la chasse à courre du chevreuil est une tâche difficile. La première est à n'en pas douter, infiniment plus spectaculaire de par la taille de l'animal chassé, par le trophée qu'il porte, par ces parcours tout d'une traite, par les abois, par la fin de l'animal, en fait le cerf compte uniquement sur sa vigueur pour s'en sortir, ses ruses sont plus grossières. Enfin lors du traditionnel défaut de fin de chasse, le cerf de par sa taille a infinment plus de difficulté à se cacher qu'un chevreuil. Tous les bons veneurs spécialisés dans la voie du cerf ont toujours reconnu, que la difficulté n'est pas de prendre un cerf mais qu'elle est de bien le chasser, avec un lot de chiens bien ameuté, criant, de change et n'ayant pas, pour prendre l'animal, besoin de l'intervention de l'homme. Il ne faut jamais oublier, que la pratique de la Vénerie est exclusivement basée sur l'utilisation du chien. Le meilleur veneur du cerf que j'ai jamais connu, monsieur Ferjoux, qui chassait sur les allées, il écoutait le récit de ses chiens, il se moquait de voir l'animal durant la chasse. A entendre les voix de ses chiens, il pouvait expliquer exactement le déroulement de la chasse. Quand un cavalier ou un suiveur lui disait: "monsieur, j'ai vu l'animal à tel endroit", il passait impertubable sans écouter ce qu'on lui disait, seul ses chiens l'intéressaient.
           La chasse du chevreuil est beaucoup plus discrète, l'animal contrairement au cerf, ne compte pas sur sa force mais sur son intelligence pour se débarasser de ses poursuivants, il commence à essayer de ruser et à essayer de semer les chiens, le parcours du chevreuil, qui si en nombre de kilomètres et en vitesse n'a rien à envier à celui d'un cerf, est beaucoup plus compliqué, fait d'allers et retours permanents. Au chevreuil, point de trophées, un animal petit que bien souvent on ne voit pas traverser les routes, extrèmement discret, il présente la particularité, qui est une difficulté supplémentaire pour la chasse de sentir de moins en moins fort, au fur et à mesure qu'il court.
           Depuis une quinzaine d'années, la population de chevreuils a véritablement explosé en forêt et la première difficulté à vaincre est le change. Au chevreuil, contrairement au cerf, on chasse indifféremment les mâles et les femelles et, ce qui augmente la difficulté, les mâles n'ont plus leurs bois une bonne partie de l'année, en effet, ils les perdent en octobre.
           Essayer de prendre les chevreuils, n'est pas une sinécure, il faut faire preuve de rigueur extrème dans la sélection des chiens et dès la création de la meute, il faut s'attacher à obtenir de grandes origines de chiens et à ne jamais perdre cet objectif de vue. Après, il faut savoir les utiliser et cela vient au terme d'un long apprentissage, d'une longue observation. Il faut lorsqu'on est veneur de chevreuil , savoir faire preuve d'une grande modestie quant à la pratique de la chasse. En France, sur environ 80 équipages de chevreuils, seuls une dizaine réussissent bien et prennent une trentaine d'animaux par an. L'équipage des Pierres Cassées se situe dans une honnète moyenne après trois années d'existence, deux chevreuils la première saison, onze à la deuxième saison, douze à la troisième et à ce jour, sept depuis le début de la quatrième saison. Nous sommes patients, car il faut, pour devenir bonne, qu'une meute vieillisse un peu, or nous n'avons qu'une chienne de six ans, cinq ou six chiens de quatre ans et le reste des chiens n'a que trois, deux et un an. Pour le moment, nous nous attachons à avoir une meute criante, entreprenante et ralliante et il convient de dire qu'elle nous offre de ce point de vue un spectacle superbe. Du temps et de l'expérience pour les chiens et les hommes, nous permettrons un jour de réaliser notre plan de chasse uniquement à courre."
                     
                         Nicolas NOBLET
    Rosay Infos 95

Equipage des Pierres Cassées


Chenil
: " Le Manoir Fourré " route de la bosse Lyons la Forêt
Chiens: 60 chiens à majorité blanc et orange, de type poitevin
Valet de chien: Christian Gougeon dit " La Rosée ", remplacé depuis par Jean-Philippe.
Tenue de l'équipage: vert forestier à parements ventre de biche.
Gilet ventre de biche.
Culotte velours chamois
Bouton: représente un lièvre "hallali courant". A l'époque, l'équipage dont les chiens se trouvaient au Fief d'Authuit chez monsieur Souchères, chassaient le lièvre à oourre.
Fanfare: " les Pierres Cassées " composée par Saute au Bois, ancien piqueur de l'équipage " Pays d'Ouche "
Territoire: l'équipage attaque systématiquement sur la partie sud de la forêt située entre Morgny et Ménesqueville. Il a droit de suite sur l'ensemble de la forêt domaniale.  



           
           L'équipage "Pays d'Ouche" est définitivement démonté à la fin de la saison 91/92. Un bouton de cet équipage, Michel Lepage fonde alors "L'équipage de la forêt de Lyons"
  



L'équipage de Lyons - 1998



Dix cors face aux chiens de l’Equipage de Lyons

Visiter le site de l'Equipage de Lyons: http://www.equipagedelyons.fr